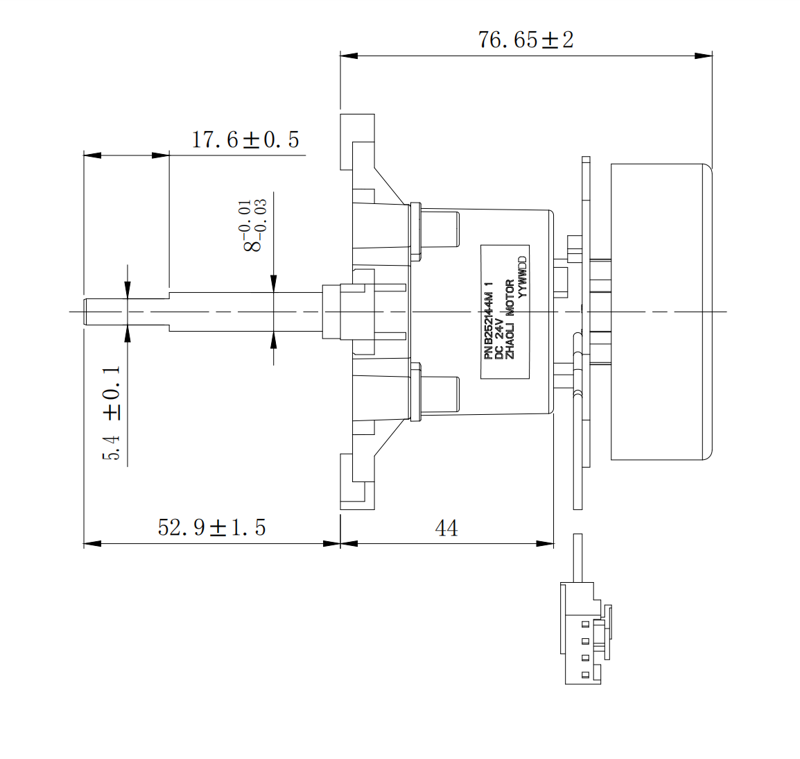
61系列减速电机是一款直流无刷减速电机,电机尺寸 61mm,兼容 DC 12V–24V 宽电压,最大功率 50W,可输出 127rpm 低转速与 4.9Nm 大扭矩。
The B252144M01 is a DC brushless reduction motor (motor size 61mm), compatible with DC 12V–24V wide voltage, max power 50W, delivering 127rpm low speed and 4.9Nm high torque.
减速结构设计有效提升扭矩输出,运行平稳可靠,适合对扭矩和稳定性要求高的场景,如智能门锁执行机构、医疗康复设备、自动化传动装置等,为需要低转速高扭矩的设备提供稳定动力。
The reduction structure boosts torque output, ensuring smooth and reliable operation. Ideal for scenarios demanding high torque and stability, such as smart door lock actuators, medical rehabilitation devices, and automated transmission systems, providing stable power for low-speed, high-torque equipment.
| 型号 | 电机尺寸 | 转速范围 | 额定电压(V) | 额定功率(W) | 扭矩 |
|---|---|---|---|---|---|
61系列 减速电机 | 61mm | 127rpm | DC:12V-24V | 50W (MAX) | 4.9Nm |




| 适配设备 | ||
|---|---|---|
| 设备名称 | 61减速电机特点 | 设备图片 |
| 家用制冰机(桌面款) | 大扭矩驱动翻冰拨片,轻松推落冻结冰块,紧凑尺寸适配机身 | ![]() |
| 桌面咖啡机 | 平稳驱动水流或研磨机构,低噪音提升咖啡制作体验 | ![]() |
| 智能窗帘电机 | 低速平稳开合,静音不扰眠,大扭矩适配厚重窗帘 | ![]() |
| 智能宠物饮水机 | 平稳驱动水循环,低噪音不打扰宠物,大扭矩保障稳定供水 | ![]() |
| 智能宠物喂食器 | 精准控制出料量,低功耗适配电池供电,大扭矩防止卡粮 | ![]() |