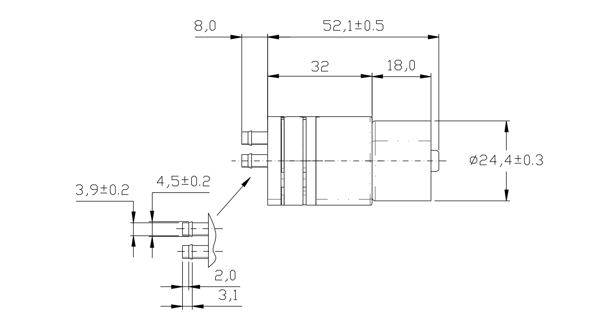
2418直流无刷泵,泵尺寸 2418,采用 DC 12V 单电压供电,额定功率仅 2W,可实现≥150ml/min 稳定水流量。产品结构紧凑、运行静音,无刷设计带来更长使用寿命与更低维护成本,兼具可靠性与节能性。
主要应用于对体积、功耗和静音要求严苛的场景,如小型医疗清洗设备、家用宠物饮水机、微型水循环家电等,为便携式与微型化流体输送设备提供高效动力支撑。
| 型号 Model | 泵尺寸 Pump size; | 流量 Flow rate | 额定电压(V) Rated voltage(V) | 额定功率(W) Rated power(W) | 压力 Pressure |
|---|---|---|---|---|---|
| 2418 (直流无刷泵 ) | 2418 |
水流量 Water flow rate ≥150ml/min | DC:12V | 2W | / |




