产品中心
产品中心
PRODUCT
3
52 系列

扁平设计、气流均匀,扁平结构适合空气幕和空调内机,出风均匀舒适。

产品详情

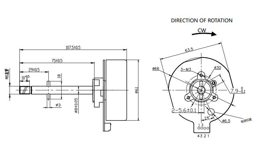
52 系列直流无刷电机,额定功率 45W,采用扁平贯流结构,它专为空气幕和空调室内机设计,可输出均匀、柔和的气流,有效隔断室内外空气交换,同时保持低噪音运行,为商业门店和家庭提供舒适的空气屏障与空调体验。后附电机规格书。


   

电机型号转速范围 额定电压额定功率
52系列500–5000rpmDC:12V–24V45W (MAX)


应用场景:空气幕、空调室内机贯流风机、小型直流通风。




A1059-DBT52H4BK5电机规格书20240123(1)(2).pdf