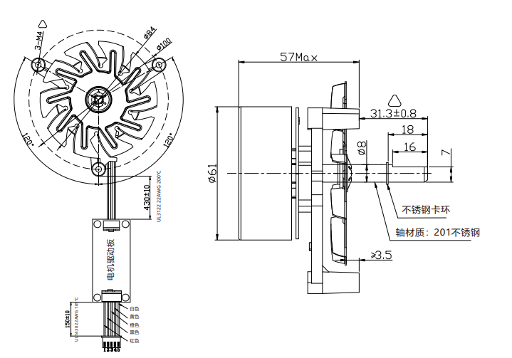
The 52 Series BLDC motor with a rated power of 45W, compatible with a 12V–24V DC power supply and a speed range of 500–5000rpm, serving as the core power for hot air circulation systems in high-end air fryers and ovens. It delivers high airflow and static pressure to meet the rapid heating and uniform heat exchange needs of large-capacity cavities. Its high-temperature resistant structure ensures stable long-term operation in high-temperature conditions. Intelligent speed control precisely matches airflow for cooking, effectively improving the cooking efficiency and user experience of medium-to-large and high-end kitchen appliances.

