Flat design, uniform airflow, with a flat structure ideal for air curtains and air conditioner indoor units, delivering even and comfortable airflow
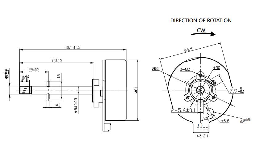
The 52 Series BLDC motor with a rated power of 45W, features a flat cross-flow design. Engineered for air curtains and air conditioner indoor units, it delivers uniform, gentle airflow to effectively separate indoor and outdoor air exchange, while operating quietly to provide a comfortable air barrier and air conditioning experience for commercial stores and homes.
| Motor | Speed range | Rated voltage | Rated power |
| 52 Series | 500–5000rpm | DC:12V–24V | 45W (MAX) |
